YSM10小型高速模块贴片机
YSM10小型高速模块贴片机
产品详情
/ PRODUCT DETAILS
1个贴装头解决方案
通过采用与高端机型同样的高速通用贴装头,无需更换贴装头,从03015mm(0.3×0.15mm)的超小型元件到55×100mm、高度15mm的大型元件均可贴装,对应范围极广。
新型扫描相机
对扫描相机的性能进行了增强,将可高速贴装的元件尺寸扩大到12×12mm。还可对BGA及CSP等球形电极元件进行识别。
HM(High-Speed-Multi)贴装头
这是一款小型轻量的标准型贴装头,带有10个吸嘴,兼备高速性和通用性。
HM5贴装头
拥有HM贴装头的功能,只配置了5个吸嘴,是一款经济实用型贴装头,可根据生产效率及预算金额进行选择。
同级别中世界一流的贴装速度
通过采用在高端机型中培育而成的新一代伺服系统以及小型轻量的万能型贴装头等,使得贴装速度比以往机型加快了25%以上,实现了同级别世界最高水平的46,000CPH的贴装能力。
1个平台
将具备灵活性/机动性的YS12、对部分规格进行简化的YS12P、元件对应能力极强的YS12F这3款机型的特长集成到一个平台中,不仅实现了小型、高速的效果,而且还兼备较高的元件对应能力和通用性,打造了一款超级入门机型。
可灵活支持各种生产现场
可贴装的元件尺寸
多功能相机
可对元件尺寸超过12×12mm或者高度超过6.5mm的大型元件进行高速高精度的识别。
自动吸嘴站
可以对备用吸嘴及特别订制吸嘴进行自动更换。
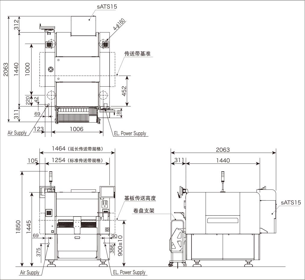
自动更换式托盘元件供料装置“sATS15”
可以最大安装15个元件托盘。(托盘间距为12.5mm时)
料带式送料器
可支持YS系列机型通用的电动式智能送料器“SS送料器”、“ZS送料器”。
SS送料器
ZS送料器
|
|
YSM10 |
|
对象基板尺寸 |
L510 × W460mm ~ L50 × W50mm |
|
可贴装的元件 |
03015mm ~ W55 × L100mm(超过W45mm时实施分割识别)、高度15mm以下 |
|
贴装能力 |
HM贴装头(10个吸嘴)规格:46,000CPH(本公司最佳条件下) |
|
贴装精度 |
±0.035mm(±0.025mm)Cpk≧1.0(3σ) |
|
元件品种数 |
固定板送料器:最多96种(以8mm料带式送料器换算)※1 |
|
电源规格 |
三相AC 200/208/220/240/380/400/416V ±10% 50/60Hz |
|
供给气源 |
0.45MPa以上、清洁干燥状态 |
|
外形尺寸 |
L1,254 × W1,440 × H1,445mm |
|
主体重量 |
约1,270kg |
※1:如需台车规格,请与本公司营业部门联系。
因改良需要,规格及外观可能会有所变更,恕不另行通知。
外观尺寸
