YSP10高端印刷机
YSP10高端印刷机
产品详情
/ PRODUCT DETAILS
通过驱动系统的改良等措施,削减了基板的传送时间,而且实现了动态配置布局的最佳化,使得包括网板清洁作业在内的印刷节拍时间达到了世界最快水平的12秒(本公司最佳条件下。通常的印刷节拍时间为10秒),与以往相比,速度加快了20%,生产率大幅提高。
该功能可在印刷机运转过程中对下一生产中所使用的网板进行预设,自动进行生产转换作业。采用省空间设计,安装及已使用网板的回收均可在机器后方统一进行。由于无需停止印刷机,作业者可以在空闲时间对网板进行预设,减少了更换作业的时间。另外,在刮刀头上还装配有新开发的锡膏接收板,可以在更换网板时防止锡膏掉落到网板上。
该功能可在更换网板时,自动对已使用网板上残留的锡膏进行无浪费地拾取,并迅速转移到更换后的新网板上。可以在保持锡膏滚动幅宽的状态下进行转移,并且通过与自动更换网板功能进行组合使用,能够大幅削减生产切换作业时发生的时间损耗和人为失误。
该功能可对从下方支撑基板的顶针进行自动更换。通过采用两个夹头,可以进行快速更换,不仅缩短了生产准备的时间,而且还能够防止人为失误。最大可配置200个顶针,可以从容应对420×420mm的大型基板。另外,通过有效利用贴片机数据及AOI的摄影图像,还可进行顶针配置的设定,简便地创建数据。
可通过程序,对刮刀的刮印角度和速度进行任意设定和变更,可以根据所使用的锡膏,在最佳条件下进行印刷。
通过采用网板吸附功能,可不受网板弯曲的影响,实现稳定的高精度印刷。而且,在往复印刷时不需要输入补正值,可以大幅缩短生产准备的时间。
标准配备有高效清洁系统。采用新型清洁头,从而大幅减少清洁无纺布的消耗量。
通过对两个相机图像进行图像重叠,可简便精密地对齐基板与印刷网板的相对位置。
采用专用的检查相机,可以实现真正的印刷检查。通过检查结果的反馈,还可以自动重新印刷及网板清洁。
可以使影响印刷品质的锡膏滚动幅宽保持稳定。通过使用新研发的12oz锡膏针筒,还可实现长时间的无停机生产。
可对应的基板尺寸从L510×W460mm扩展到L510×W510mm。对于将多个基板集成为1张基板的大型集合基板、大型液晶屏用照明基板以及产业用大型基板等,均可进行印刷。而且,还支持L610×W510mm的超大型基板(选配件)
最大可支持L750×W750mm的L尺寸网板。可一键切换5种网板尺寸
界面简单易懂,操作极为简便。设有4种显示语言,可在日语、英语、中文、韩语中进行切换。
|
|
YSP10 |
|
对象基板尺寸 |
L510 × W510mm ~ L50 × W50mm(选配:L650 × W510mm) |
|
印刷头 |
3S(Swing Single Squeegee)印刷头 |
|
印刷精度 |
重复定位精度(6σ):±0.01mm |
|
生产节拍时间 |
10秒 ※不包括清洁作业(本公司最佳条件下) |
|
核心生产节拍时间 |
6秒 |
|
可支持的网板尺寸 |
L750 × W750mm、L736 × W736mm(29″) |
|
电源规格 |
单相AC 200 ~ 230V ±20V |
|
供给气源 |
0.4MPa以上 |
|
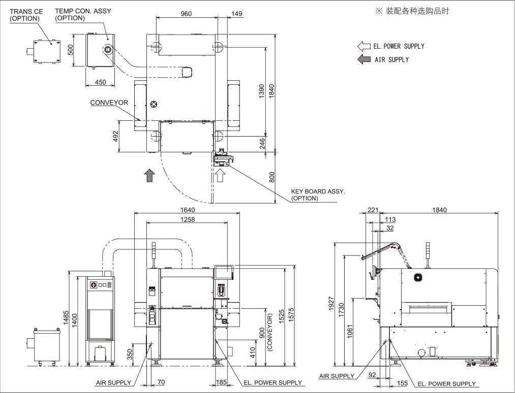
外形尺寸(突起部除外) |
L1,640 × W1,840 × H1,525mm(标准规格) |
|
重量 |
约1,700kg |
因改良需要,规格及外观可能会有所变更,恕不另行通知。
